Product Details
| Data Sheet | Download Datasheet |
|---|---|
| Usually Ships Within | 1-2 Weeks |
| Factory Location | Ventura, California |
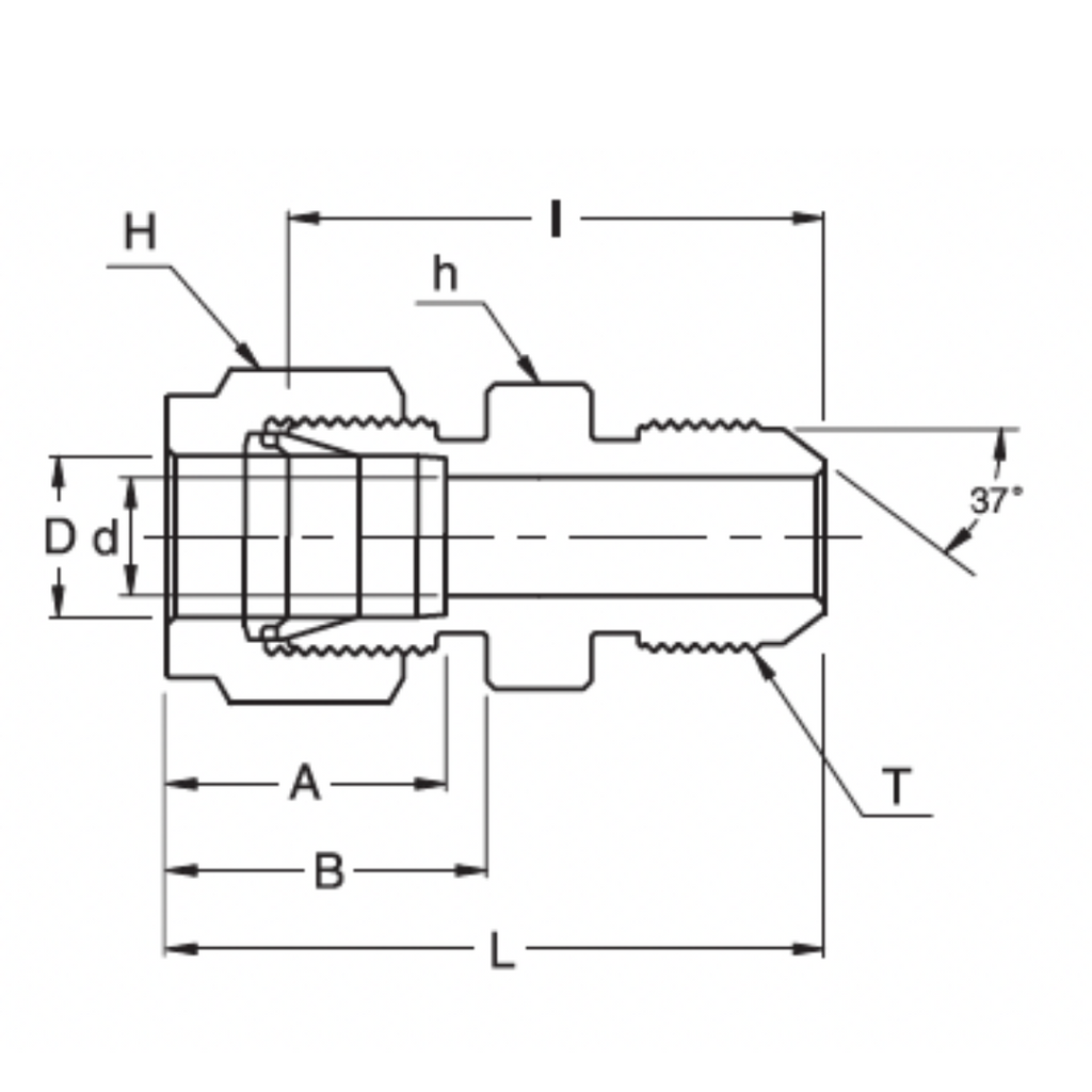
| Fitting Shape | Straight |
| Material | 316 Stainless Steel |
| Series | SAU |
| Country of Manufacture | South Korea |
| Side 1 Gender | Female |
| Side 1 Size | 1/2" (-8) |
| Side 1 Type | Tube |
| Side 2 Gender | Male |
| Side 2 Size | 3/4-16 (-8U) |
| Side 2 Type | JIC |
Description
Series SAU Straight Tube x Male JIC Adapters in 316 stainless steel (316SS) are precision-engineered fittings that connect straight tubes to male JIC (Joint Industrial Council) threaded connections in hydraulic and pneumatic systems. The male JIC side of the adapter has a threaded connection that easily screws into other JIC-compatible components, ensuring a secure, leak-free connection. JIC fittings are known for their 37-degree flare, providing a tight seal that can withstand high-pressure environments. These adapters are crafted from 316SS, which offers exceptional corrosion resistance, making them perfect for applications in harsh conditions like chemical processing, marine, and food industries. The tube side of the adapter connects to straight tubing, often made from materials like steel, copper, or aluminum, which is used to carry fluids or gases. The tube is securely fastened into the adapter using a compression mechanism, ensuring durability and preventing leaks while providing a reliable link between components in fluid systems.
- Opens in a new window.




