Product Details
| Data Sheet | Download Datasheet |
|---|---|
| Usually Ships Within | 1-2 Weeks |
| Factory Location | Ventura, California |
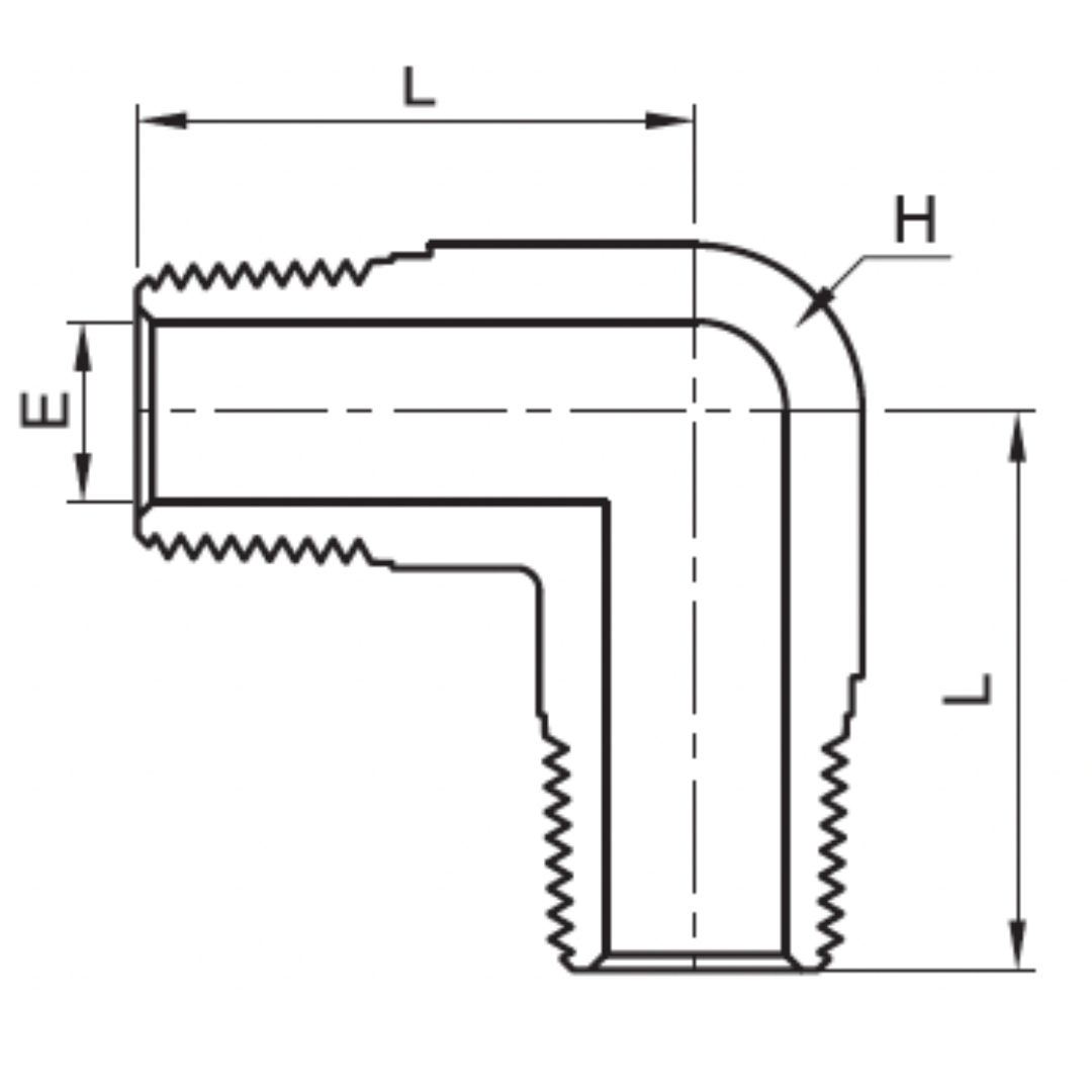
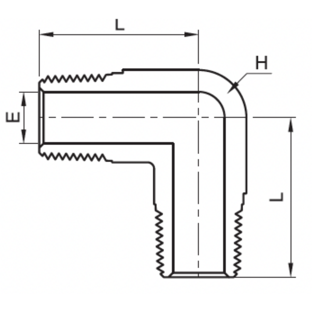
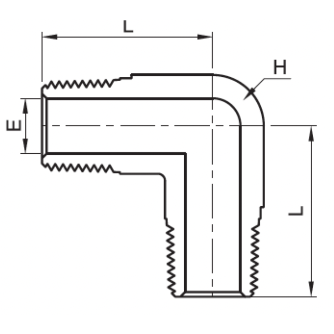
| Fitting Shape | 90-Degree |
| Material | 316 Stainless Steel |
| Pressure Rating | 6000 |
| Series | IME |
| Country of Manufacture | South Korea |
| Side 1 Gender | Male |
| Side 1 Size | 1-1/4-11-1/2 (-20N) |
| Side 1 Type | NPT |
| Side 2 Gender | Male |
| Side 2 Size | 1-1/4-11-1/2 (-20N) |
| Side 2 Type | NPT |
Description
The Series IME 90-Degree Male NPT x Male NPT Elbow Adapters, constructed from high-quality 316 stainless steel, are designed to provide reliable and secure connections in hydraulic and instrumentation systems. Featuring male NPT threads on both ends, these adapters create a 90-degree angle for efficient pipe routing in tight spaces, making them ideal for use in fluid and gas transfer systems. The NPT (National Pipe Tapered) threads provide a tight, leak-proof seal through thread deformation, ensuring a strong and durable connection. Commonly used in industries like oil and gas, chemical processing, and industrial instrumentation, these adapters offer exceptional corrosion resistance, high pressure handling, and long-lasting performance, making them a trusted choice for professionals seeking reliable, leak-free connections in critical applications.
- Opens in a new window.


