Product Details
| Special Message | Mechanical Clutch, 20 GPM Motor, Right Side Gearbox |
|---|---|
| Data Sheet | |
| Usually Ships Within | 12-14 Weeks |
| Factory Location | Jenks, Oklahoma |
| Solid Model | |
| Service Manual Download | |
| Service Manual | Click here to download |
| Hydraulic Motor Pressure | 1750psi |
| Drum Torque | 5851 in-lb |
| Country of Manufacture | United States |
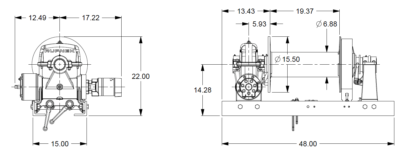
| Height | 22 |
| Length | 48 |
| Width | 22.17 |
| Weight | 707 |
| Drum Flange Diameter | 15.5" |
| Brake Option | N/A |
| Drum Length | 19.37" |
| Drum Rotation | Birotational |
| Max Bare Drum Line Pull | 30,000 lbs |
| Max Full Drum Line Pull | 16,793 lbs |
| Max Bare Drum Line Speed | 11 ft/min |
| Max Full Drum Line Pull | 16,793 lbs |
| Max Full Drum Line Speed | 19 ft/min |
| Safety Note | Tulsa Winch products are not to be used to lift, hoist or move people. If your task involves lifting or moving people, you MUST use the proper equipment; not a Tulsa Winch product. Wire rope anchors on winches are not designed to hold the rated load of the winch. You must keep at least five (5) wraps of wire rope on the drum to insure the wire rope doesnÕt come loose. Stay clear of suspended loads and of wire rope under tension. A broken wire rope or dropped load can cause serious injury or death. Make sure that all equipment, including the winch and wire rope, is maintained properly. Avoid shock loads. This type of load imposes a strain on a winch many times the actual weight of the load and can cause failure of the wire rope or of the winch. Winch operators must be trained in the proper, safe operations of the winch. The hydraulic system should use only high quality hydraulic oils from reputable suppliers. These oils should contain additives to prevent foaming and oxidation in the system. All winch systems should be equipped with a return line filter capable of filtering 10-micron particles from the system. Please contact OneHydraulics if you need assistance with fluid selection. |
Description
The Tulsa Winch Rufnek-Series worm gear winches are specifically designed for the world's Oilfield Industry. In the harshest terrains, on the most challenging projects, Rufnek worm gear winches set a new benchmark for safe, reliable operation and rugged performance.
These worm gear winches are available with mechanical input of integral hydraulic motor and air control packages for clutch and band brake operation. The available clutch position indicate provides safe, visual means of ensuring positive clutch engagement, and the sliding clutch with reverse draft assures complete and even engagement under load. The adjustable oil brake with automatic engagement during payout enhances brake life and improves load management. The optional air-applied band brake also prevents bird nesting of cable during free-spool operation.
* 30,000 lbs. capacity winch storing 313 ft. of 3/4” dia. rope
* Single speed hydraulic motor
* Air assisted drum brake and manual freespool standard
* Motor 1750 psi and 20 GPM
- Opens in a new window.




