Product Details
| Data Sheet | |
|---|---|
| Usually Ships Within | 18-20 Weeks |
| Factory Location | Surrey, BC, Canada |
| Solid Model | |
| Service Manual Download | |
| Service Manual | Click here to download |
| Hydraulic Motor Pressure | 2500psi |
| Drum Torque | 381,250 in-lb |
| Drum Speed | 17.4 RPM |
| Country of Manufacture | Canada |
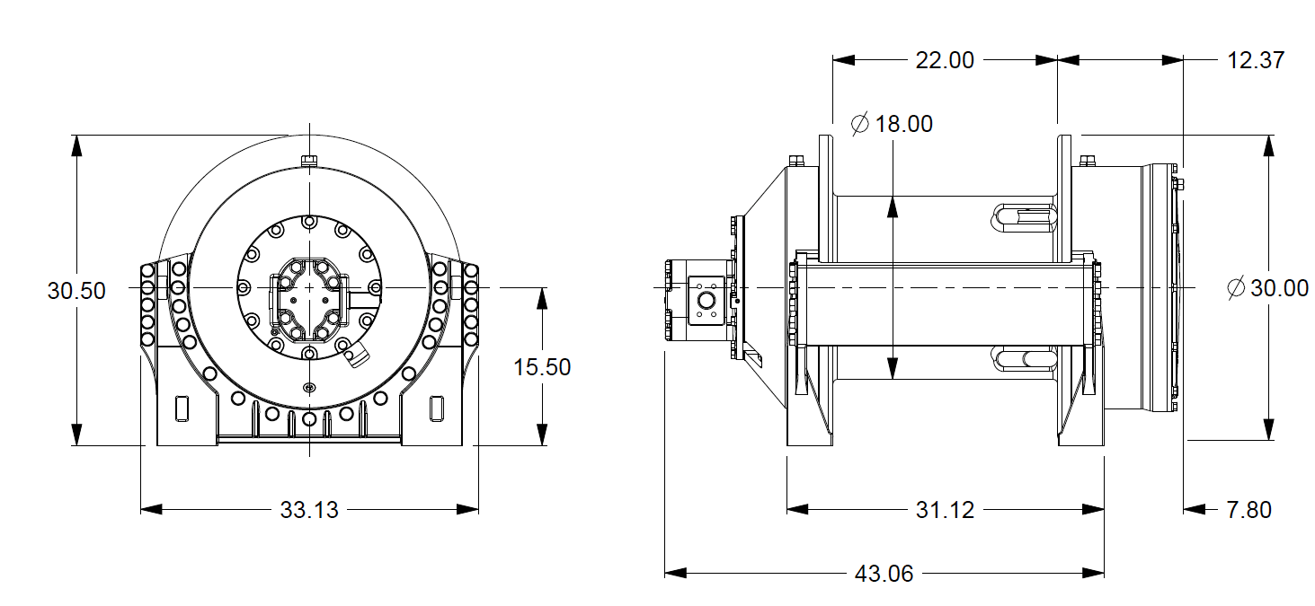
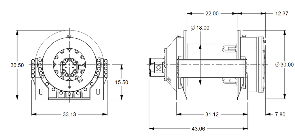
| Height | 30.5 |
| Length | 50.86 |
| Width | 33.13 |
| Weight | 2642 |
| Drum Flange Diameter | 30" |
| Brake Option | Automatic Brake |
| Drum Length | 22" |
| Drum Rotation | Clockwise |
| Max Bare Drum Line Pull | 50,000 |
| Max Full Drum Line Pull | 33,889 |
| Max Bare Drum Line Speed | 69 |
| Max Full Drum Line Pull | 33,889 |
| Max Full Drum Line Speed | 102 |
Description
The TWG Pullmaster Equal Speed planetary winches offer maximum torque in both directions of rotation and give operators maximum control over the load. In applications that require precise lifting and lowering and load suspension, Pullmaster Equal Speed winches deliver the most reliable performance in the industry. The M series offers exceptionally smooth lowering control of the maximum rated load in a step-less operation.
* 50,000lbs. capacity hoist storing 2590 ft. of 1” dia. rope
* With Auto Brake
* Clockwise Rotation ( Direction of drum rotation viewed from motor when pulling or lifting)
* Ext Circulation Flow
* 115 GPM Motor with 1.5" Code 61 Ports, 50,000 lb capacity
* No Freespool
* 18.0" Barrel x 22.0" Length x 30.0" Flange
- Opens in a new window.




