Product Details
| Special Message | Automatic brake, external brake release, internal circulation flow |
|---|---|
| Data Sheet | |
| Usually Ships Within | 11-12 Weeks |
| Factory Location | Surrey, BC, Canada |
| Solid Model | |
| Service Manual Download | |
| Service Manual | Click here to download |
| Rotation | Clockwise |
| Nominal Capacity | 222ft |
| Hydraulic Motor Pressure | 2200psi |
| Drum Torque | 50,000 in-lb |
| Drum Speed | 48 RPM |
| Country of Manufacture | Canada |
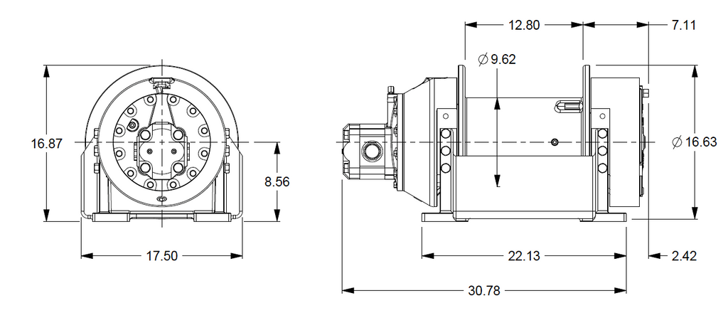
| Height | 16.87 |
| Length | 33.2 |
| Width | 17.50 |
| Weight | 635 |
| Drum Flange Diameter | 16.6" |
| Brake Option | Automatic Brake |
| Drum Length | 13" |
| Drum Rotation | Clockwise |
| Max Bare Drum Line Pull | 12,121 |
| Max Full Drum Line Pull | 7,143 |
| Max Bare Drum Line Speed | 104 |
| Max Full Drum Line Pull | 7,143 |
| Max Full Drum Line Speed | 176 |
| Safety Note | PullMaster products are not to be used to lift, hoist or move people. If your task involves lifting or moving people, you MUST use the proper equipment; not a PullMaster product. Wire rope anchors on winches are not designed to hold the rated load of the winch. You must keep at least five (5) wraps of wire rope on the drum to insure the wire rope doesnÕt come loose. Stay clear of suspended loads and of wire rope under tension. A broken wire rope or dropped load can cause serious injury or death. Make sure that all equipment, including the winch and wire rope, is maintained properly. Avoid shock loads. This type of load imposes a strain on a winch many times the actual weight of the load and can cause failure of the wire rope or of the winch. Winch operators must be trained in the proper, safe operations of the winch. The hydraulic system should use only high quality hydraulic oils from reputable suppliers. These oils should contain additives to prevent foaming and oxidation in the system. All winch systems should be equipped with a return line filter capable of filtering 10-micron particles from the system. Please contact OneHydraulics if you need assistance with fluid selection. |
Description
The TWG Pullmaster Equal Speed planetary winches offer maximum torque in both directions of rotation and give operators maximum control over the load. In applications that require precise lifting and lowering and load suspension, Pullmaster Equal Speed winches deliver the most reliable performance in the industry. The M series offers exceptionally smooth lowering control of the maximum rated load in a step-less operation.
* 12,000 lbs. capacity equal speed winch storing 1070 ft. of 5/8” dia. rope
* With Auto Brake
* Clockwise Rotation ( Direction of drum rotation viewed from motor when pulling or lifting)
* Int Circulation Flow, Ext Brake Release
* 50 GPM Motor, -12,000 lb capacity
* No Freespool
* 7.63" Barrel x 13.0" Length x 16.63" Flange
- Opens in a new window.




